为了保证直饮水的水质安全,十方水务对运营中的社区管道直饮水,每月一次上门抽取直饮水水样进行自检,由公司化验实验室专业的水质化验员检测,确保水质安全、达标。
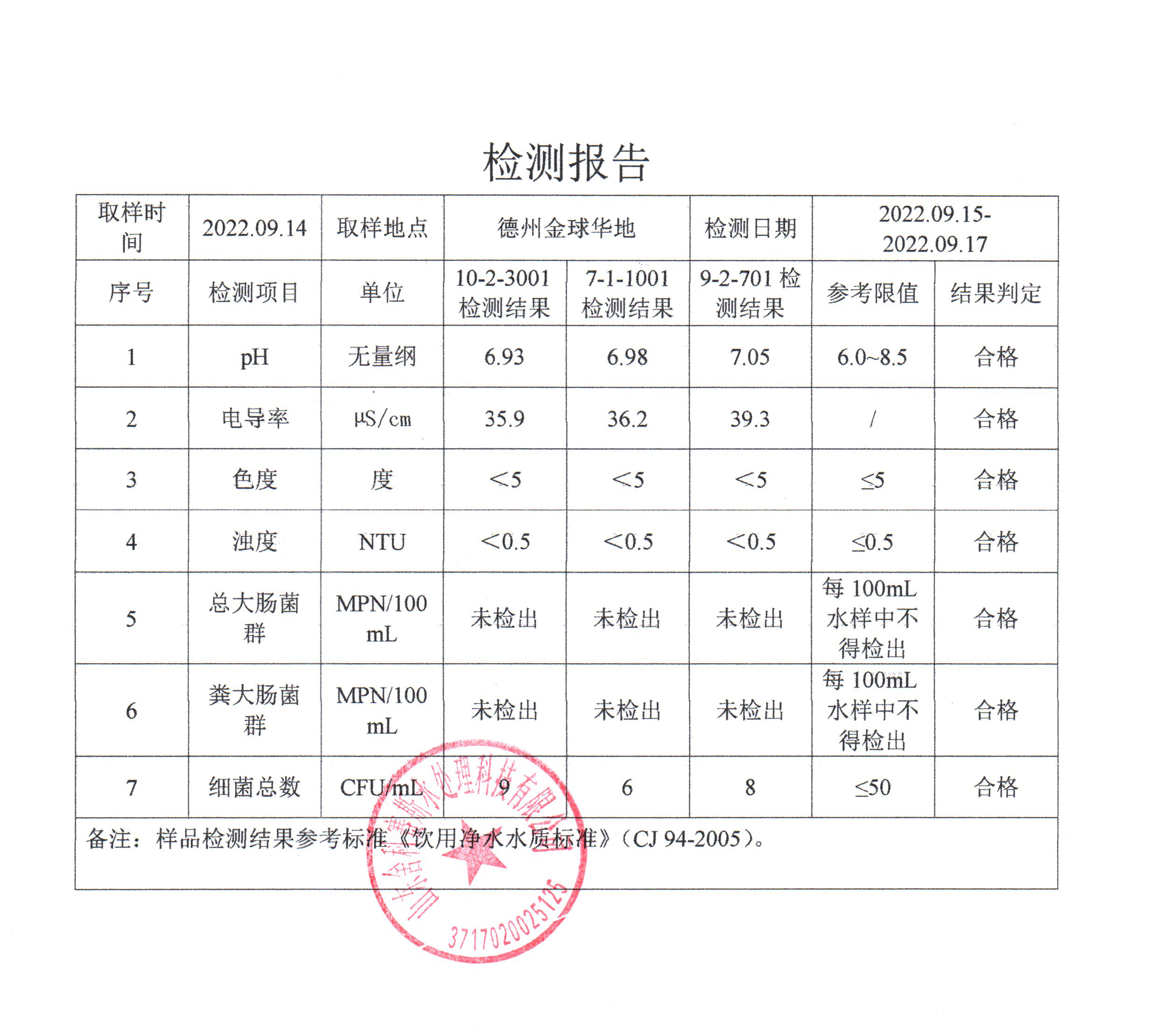
9月14日,公司社区管家、运维人员和水质化验员,对十方水务运营中的社区管道直饮水供水项目中直饮水用户进行了随机抽样检测,分别对历山湾、翰林苑、丽水城、凯兴天下、星月绿城、京投悦府、镜湖壹号、金球华地、丽水城幼儿园和明泰第一城共10个直饮水供水项目进行了直饮水取样。

公司水质化验员对社区管道直饮水的检测项目包括了PH值、电导率、色度、浑浊度、菌落总数、总大肠菌群、粪大肠菌群,共7项关键指标,检测方法严格依据《生活饮用水标准》GB/T5750-2006,检测标准严格依据《饮用净水水质标准》CJ94-2005执行。

从检测报告看,每个社区抽检的管道直饮水水样各项检测指标都符合《饮用净水水质标准》CJ94-2005。也由此可见,十方水务对管道直饮水水质的高度重视,严格执行国家相关标准,加强直饮水的抽检频率,在每月自检的基础上,还每年委托有检测资质的第三方检测机构对管道直饮水供水小区进行抽检,保障老百姓喝上更安心、更放心的优质水。
镜湖壹号自检报告
明泰第一城自检报告